| 品番 | プランジャストローク (mm) |
ジョーストローク (直径) (mm) |
最大 把握直径 (mm) |
最小 把握直径 (mm) |
最大許容 シリンダ推力 kN (kgf) |
最大 把握力 kN (kgf) |
最高回転数 min-1(r.p.m.) |
慣性モーメント kg*m2 |
重量 (kg) | 重量 (kg) | 適合シリンダ | 最大圧力使用 MPa (kgf/cm2) |
|
|---|---|---|---|---|---|---|---|---|---|---|---|---|---|
| 2L-205 | A4 | 12 | 18 | 138 | 6 | 10.4(1060) | 11.4(1170) | 4200 | 0.018 | 6.9 | 7.7 | TK-A533 | 1.5(15) |
| 2L-206 | A5 | 15 | 24 | 170 | 18 | 15.7(1600) | 17.3(1760) | 3600 | 0.063 | 14.4 | 15.6 | TK-C646 | 1.8(18) |
| 2L-208 | A5 | 20 | 32 | 215 | 25 | 22.9(2330) | 27.1(2760) | 3000 | 0.173 | 22 | 26 | TK-A853 | 1.9(19) |
| 2L-208 | A6 | 20 | 32 | 215 | 25 | 22.9(2330) | 27.1(2760) | 3000 | 0.173 | 22 | 24.2 | TK-A853 | 1.9(19) |
| 2L-210 | A6 | 25 | 37.5 | 260 | 47 | 31.8(3250) | 37.3(3800) | 2400 | 0.33 | 40 | 45.5 | TK-A1075 | 2.1(21) |
| 2L-210 | A8 | 25 | 37.5 | 260 | 47 | 31.8(3250) | 37.3(3800) | 2400 | 0.33 | 40 | 44 | TK-A1075 | 2.1(21) |
| 2L-12 | A8 | 30 | 45 | 304 | 30 | 43.1(4400) | 50.0(5100) | 2100 | 0.8 | 60 | 65.5 | TK-A1291 | 2.0(20) |
| 2L-15 | A8 | 35 | 52 | 385 | 50 | 56.2(5730) | 53.0(5400) | 1600 | 2.52 | 133 | 147 | TK-A1512 | 1.8(18) |
| 2L-15 | A11 | 35 | 52 | 385 | 50 | 56.2(5730) | 53.0(5400) | 1600 | 2.52 | 133 | 140 | TK-A1512 | 1.8(18) |
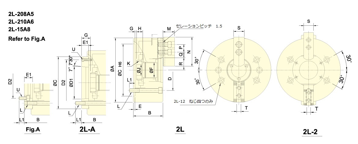
| 品番 | A | B | B | C | D | D1 | D2 | E | E1 | F | G max. | G max. | G min. | G min. | H | J | |
|---|---|---|---|---|---|---|---|---|---|---|---|---|---|---|---|---|---|
| 2L-205 | A4 | 138 | 65 | 76 | 110 | 82.6 | 63.51 | 96 | 4 | 15 | 32 | 1 | 15 | -11 | 3 | 20 | 12 |
| 2L-206 | A5 | 170 | 84 | 97 | 140 | 104.8 | 82.56 | 116 | 5 | 18 | 45 | 6.5 | 24.5 | -8.5 | 9.5 | 19 | 20 |
| 2L-208 | A5 | 215 | 96 | 114 | 170 | 133.4 | 82.56 | 104.8 | 5 | 23 | 52 | 7 | 30 | -13 | 10 | 20 | 30 |
| 2L-208 | A6 | 215 | 96 | 114 | 170 | 133.4 | 106.38 | 150 | 5 | 23 | 52 | 7 | 30 | -13 | 10 | 20 | 30 |
| 2L-210 | A6 | 260 | 108 | 128 | 220 | 171.4 | 106.38 | 133.4 | 5 | 25 | 75 | 8.5 | 33 | -16.5 | 8 | 25 | 45 |
| 2L-210 | A8 | 260 | 108 | 121 | 220 | 171.4 | 139.72 | 190 | 5 | 18 | 75 | 8.5 | 26.5 | -16.5 | 1.5 | 25 | 45 |
| 2L-12 | A8 | 304 | 127 | 140 | 220 | 171.4 | 139.72 | 190 | 5 | 18 | 91 | 15 | 33 | -15 | 3 | 28 | 50 |
| 2L-15 | A8 | 385 | 150 | 177 | 300 | 235 | 139.72 | 171.4 | 6 | 33 | 120 | 12.5 | 45.5 | -22.5 | 10.5 | 39 | 60 |
| 2L-15 | A11 | 385 | 150 | 166 | 300 | 235 | 196.87 | 260 | 6 | 22 | 120 | 12.5 | 34.5 | -22.5 | -0.5 | 39 | 60 |
| 品番 | K | L | L1 | L1 | M | N | P | Q max. | Q min. | R max. | R min. | S | T | U | |
|---|---|---|---|---|---|---|---|---|---|---|---|---|---|---|---|
| 2L-205 | A4 | M40x1.5 | 4~M10 | 15 | 15 | 31 | 62 | 14 | 15.75 | 5.25 | 38.5 | 29.5 | 25 | 10 | 3~M6 |
| 2L-206 | A5 | M55x2 | 4~M10 | 18 | 15 | 37 | 73 | 20 | 15.25 | 7.75 | 51 | 39 | 31 | 12 | 3~M6 |
| 2L-208 | A5 | M60x2 | 4~M12 | 18 | 19 | 38 | 95 | 25 | 19.25 | 10.25 | 63.5 | 47.5 | 35 | 14 | 6~M10 |
| 2L-208 | A6 | M60x2 | 4~M12 | 18 | 20 | 38 | 95 | 25 | 19.25 | 10.25 | 63.5 | 47.5 | 35 | 14 | 3~M6 |
| 2L-210 | A6 | M85x2 | 4~M16 | 24 | 20 | 43 | 110 | 30 | 24.75 | 11.25 | 80 | 61.25 | 40 | 16 | 6~M12 |
| 2L-210 | A8 | M85x2 | 4~M16 | 24 | 21 | 43 | 110 | 30 | 24.75 | 11.25 | 80 | 61.25 | 40 | 16 | 3~M8 |
| 2L-12 | A8 | M100x2 | 4~M16 | 22 | 19 | 51 | 130 | 30 | 46.25 | 19.25 | 77 | 54.5 | 50 | 21 | 3~M8 |
| 2L-15 | A8 | M130x2 | 6~M20 | 33 | 27.5 | 63 | 165 | 43 | 51.25 | 27.25 | 94.25 | 68.25 | 62 | 25.5 | 6~M16 |
| 2L-15 | A11 | M130x2 | 6~M20 | 33 | 31 | 63 | 165 | 43 | 51.25 | 27.25 | 94.25 | 68.25 | 62 | 25.5 | 3~M10 |