| 品番 | プランジャストローク (mm) |
ジョーストローク (直径) (mm) |
最大 把握直径 (mm) |
最小 把握直径 (mm) |
最大許容 シリンダ推力 kN (kgf) |
最大 把握力 kN (kgf) |
最高回転数 min-1(r.p.m.) |
慣性モーメント kg*m2 |
重量 (kg) | 適合シリンダ | 最大圧力使用 MPa (kgf/cm2) |
|---|---|---|---|---|---|---|---|---|---|---|---|
| 2M-05 | 15 | 10.9 | 135 | 14 | 6.5(660) | 11(1120) | 4500 | 0.02 | 6.0 | RK-75(N) | 1.8(18) |
| 2M-06 | 20 | 14.5 | 165 | 14 | 14.3(1460) | 24(2450) | 4000 | 0.04 | 12.2 | RK-100(N) | 2.0(20) |
| 2M-08 | 23 | 16.7 | 210 | 17 | 19.6(2000) | 36.6(3730) | 3500 | 0.13 | 23.0 | RK-125(N) | 1.9(19.3) |
| 2M-10 | 27 | 19.6 | 254 | 22 | 26.1(2660) | 49.3(5030) | 3000 | 0.30 | 34.3 | RK-150(N) | 1.8(18.6) |
| 2M-12 | 30 | 21.8 | 304 | 26 | 36(3670) | 66(6730) | 2500 | 0.71 | 59.1 | RK-150(N) | 2.4(24) |
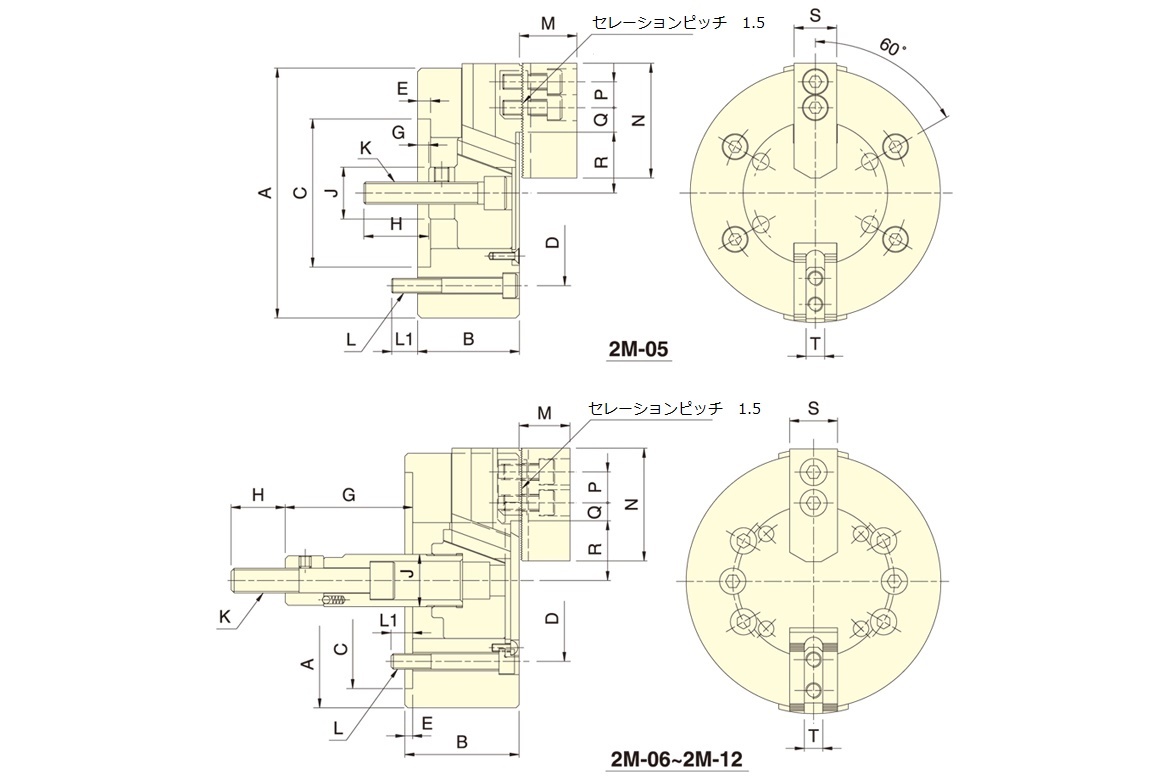
| 品番 | A | B | C(H6) | D | E | G max. | G min. | H | J |
|---|---|---|---|---|---|---|---|---|---|
| 2M-05 | 135 | 55 | 80 | 100 | 7 | 6 | -9 | 35 | 28 |
| 2M-06 | 165 | 74 | 140 | 104.8 | 5 | 101.6 | 81.6 | 36 | 34 |
| 2M-08 | 210 | 85 | 170 | 133.4 | 5 | 129 | 106 | 36 | 38 |
| 2M-10 | 254 | 89 | 220 | 171.4 | 5 | 160 | 133 | 36 | 45 |
| 2M-12 | 304 | 106 | 220 | 171.4 | 6 | 70 | 40 | 46 | 50 |
| 品番 | K | L | L1 | M | N | P | Q max. | Q min. | R max. | R min. | S | T |
|---|---|---|---|---|---|---|---|---|---|---|---|---|
| 2M-05 | M12x1.75 | 4~M8 | 14 | 31 | 62 | 14 | 15.5 | 5.0 | 32.9 | 27.45 | 25 | 10 |
| 2M-06 | M16x2 | 6~M10 | 14 | 37 | 73 | 20 | 17.0 | 8.0 | 38.7 | 31.45 | 31 | 12 |
| 2M-08 | M20x2.5 | 6~M12 | 20 | 38 | 95 | 25 | 22.3 | 8.8 | 47.5 | 39.15 | 35 | 14 |
| 2M-10 | M20x2.5 | 6~M16 | 18 | 43 | 110 | 30 | 32.3 | 12.8 | 53.9 | 44.1 | 40 | 16 |
| 2M-12 | M24x3 | 6~M16 | 18 | 51 | 130 | 30 | 47.8 | 13.3 | 62.5 | 51.6 | 50 | 21 |