| 品番 | プランジャ
ストローク (mm) |
ジョーストローク
(直径) (mm) |
最大
把握直径 (mm) |
最小
把握直径 (mm) |
最大許容
シリンダ推力 kN (kgf) |
最大
把握力 kN (kgf) |
最高回転数
min-1 (r.p.m.) |
慣性モーメント
kg*m 2 |
重量 (kg) | 重量 (kg) | 適合シリンダ | 最大圧力使用
MPa (kgf/cm2) |
|
|---|---|---|---|---|---|---|---|---|---|---|---|---|---|
| 2P-04 | 15 | 6.4 | 110 | 5 | 5.3
(540) |
14.7
(1500) |
6000 | 0.01 | 3.8 | RK-75(N)
RA-130 |
1.5(15)
0.4(4) |
||
| 2P-05 | 15 | 6.4 | 135 | 14 | 5.3
(540) |
16.7
(1700) |
5500 | 0.02 | 5.8 | RK-75(N)
RA-130 |
1.5(15)
0.4(4) |
||
| 2P-06 | A5 | 20 | 8.5 | 165 | 14 | 12
(1220) |
35
(3570) |
5250 | 0.04 | 12 | 13 | RK-100(N)
RA-170 |
1.7(17)
0.4(4) |
| 2P-08 | A5 | 21 | 8.8 | 210 | 17 | 16.5
(1680) |
50
(5100) |
4750 | 0.13 | 22 | 26 | RK-125(N)
RA-220 |
1.5(15)
0.4(4) |
| 2P-08 | A6 | 21 | 8.8 | 210 | 17 | 16.5
(1680) |
50
(5100) |
4750 | 0.13 | 22 | 25 | RK-125(N)
RA-220 |
1.5(15)
0.4(4) |
| 2P-10 | A6 | 25 | 8.8 | 254 | 22 | 19.4
(1980) |
71.5
(7300) |
4000 | 0.29 | 33 | 42 | RK-125(N)
RA-220 |
1.8(18)
0.4(4) |
| 2P-10 | A8 | 25 | 8.8 | 254 | 22 | 19.4
(1980) |
71.5
(7300) |
4000 | 0.29 | 33 | 40 | RK-125(N)
RA-220 |
1.8(18)
0.4(4) |
| 2P-12 | A8 | 30 | 10.5 | 304 | 22 | 27.4
(2800) |
103.9
(10600) |
3360 | 0.70 | 57 | 61 | RK-150(N) | 1.7(17) |
| 2P-15 | A11 | 35 | 16 | 381 | 50 | 54.9
(5600) |
164.6
(16800) |
3000 | 1.70 | 96 | 103 | RK-200(N) | 1.9(19) |
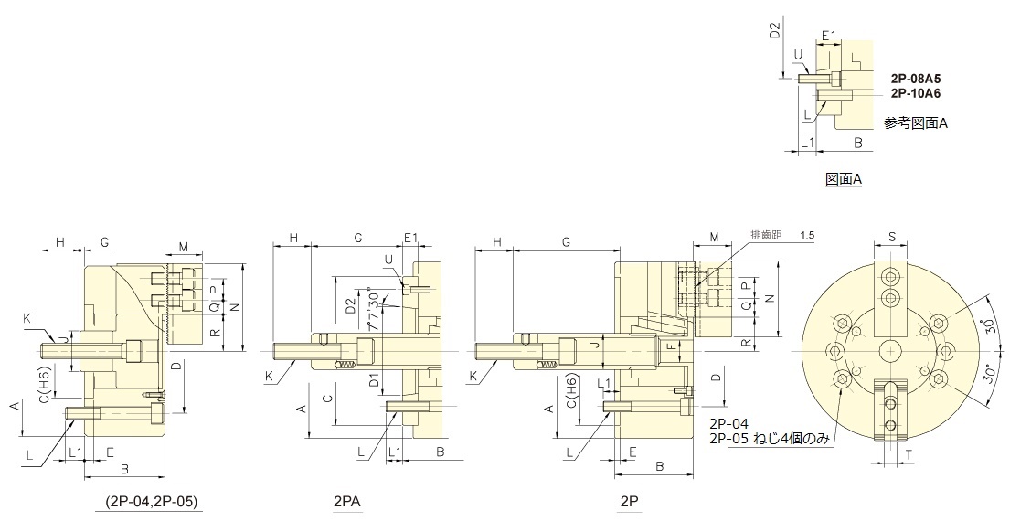
| 品番 | A | B | B | C | D | D1 | D2 | E | E1 | F | G max. | G max. | G min. | G min. | H | J | |
|---|---|---|---|---|---|---|---|---|---|---|---|---|---|---|---|---|---|
| 2P-04 | 110 | 52 | 60 | 80 | - | - | 6 | - | - | 18 | 3 | 25 | 26 | ||||
| 2P-05 | 135 | 55 | 80 | 100 | - | - | 7 | - | - | 9 | -6 | 35 | 28 | ||||
| 2P-06 | A5 | 165 | 74 | 84 | 140 | 104.8 | 82.56 | 116 | 5 | 15 | 21 | 102.6 | 87.6 | 82.62 | 67.6 | 35 | 34 |
| 2P-08 | A5 | 210 | 85 | 103 | 170 | 133.4 | 82.56 | 104.8 | 5 | 23 | 25 | 127 | 104 | 106 | 83 | 36 | 38 |
| 2P-08 | A6 | 210 | 85 | 97 | 170 | 133.4 | 106.38 | 150 | 5 | 17 | 25 | 127 | 110 | 106 | 89 | 36 | 38 |
| 2P-10 | A6 | 254 | 89 | 109 | 220 | 171.4 | 106.38 | 133.4 | 5 | 25 | 34 | 158 | 133 | 133 | 108 | 36 | 45 |
| 2P-10 | A8 | 254 | 89 | 102 | 220 | 171.4 | 139.72 | 190 | 5 | 18 | 34 | 158 | 140 | 133 | 115 | 36 | 45 |
| 2P-12 | A8 | 304 | 106 | 118 | 220 | 171.4 | 139.72 | 190 | 6 | 18 | 34 | 163 | 145 | 133 | 115 | 36 | 50 |
| 2P-15 | A11 | 381 | 114 | 130 | 300 | 235 | 196.87 | 260 | 6 | 22 | - | 104 | 82 | 69 | 47 | 55 | 60 |
| 品番 | K | L | L1 | L1 | M | N | P | Q max. | Q min. | R max. | R min. | S | T | U | |
|---|---|---|---|---|---|---|---|---|---|---|---|---|---|---|---|
| 2P-04 | M10x1.5 | 4~M8 | 12 | 24 | 52 | 14 | 11.3 | 8.3 | 23.3 | 20.1 | 23 | 10 | - | ||
| 2P-05 | M12x1.75 | 4~M8 | 14 | 31 | 62 | 14 | 13.5 | 6 | 30.4 | 27.2 | 25 | 10 | - | ||
| 2P-06 | A5 | M16x2 | 6~M10 | 14 | 14 | 37 | 73 | 20 | 18.25 | 9.25 | 38.25 | 34 | 31 | 12 | 3~M6 |
| 2P-08 | A5 | M20x2.5 | 6~M12 | 20 | 17 | 38 | 95 | 25 | 22.3 | 11.8 | 46.3 | 41.9 | 35 | 14 | 6~M10 |
| 2P-08 | A6 | M20x2.5 | 6~M12 | 20 | 18 | 38 | 95 | 25 | 22.3 | 11.8 | 46.3 | 41.9 | 35 | 14 | 3~M6 |
| 2P-10 | A6 | M20x2.5 | 6~M16 | 18 | 18 | 43 | 110 | 30 | 30.8 | 11.3 | 51.1 | 46.7 | 40 | 16 | 6~M12 |
| 2P-10 | A8 | M20x2.5 | 6~M16 | 18 | 25 | 43 | 110 | 30 | 30.8 | 11.3 | 51.1 | 46.7 | 40 | 16 | 6~M8 |
| 2P-12 | A8 | M20x2.5 | 6~M16 | 18 | 25 | 51 | 130 | 30 | 48.5 | 12.5 | - | - | 50 | 18/21 | 6~M8 |
| 2P-15 | A11 | M30x3.5 | 6~M20 | 30 | 33 | 63 | 165 | 43 | 48.8 | 23.3 | 77.5 | 69.5 | 62 | 25.5 | 3~M10 |