| 品番 | プランジャ ストローク (mm) |
ジョーストローク (直径) (mm) |
最大 把握直径 (mm) |
最小 把握直径 (mm) |
最大許容 シリンダ推力 kN (kgf) |
最大把握 kN (kgf) |
最高回転数 min-1(r.p.m.) |
慣性モーメント kg*m2 |
重量 (kg) | 適合シリンダ | 最大圧力使用 MPa (kgf/cm2) |
|---|---|---|---|---|---|---|---|---|---|---|---|
| * 3D-04 | 7 | 5 | 110 | 13 | 6.0(612) | 10.5(1070) | 3500 | 0.007 | 4.5 | RK-75 | 1.6(16.5) |
| 3D-05 | 7 | 5 | 135 | 21 | 10.0(1020) | 17.0(1730) | 3500 | 0.018 | 7.9 | RK-75 | 2.7(27.5) |
| 3D-06 | 10 | 7.2 | 165 | 22 | 15.0(1530) | 25.0(2550) | 3500 | 0.051 | 15 | RK-100 | 2.1(21.4) |
| 3D-08 | 10 | 7.2 | 210 | 28 | 25.0(2550) | 45.0(4590) | 3000 | 0.15 | 26 | RK-125 | 2.2(22.5) |
| 3D-10 | 15 | 10.8 | 254 | 35 | 35.0(3569) | 60.0(6118) | 2500 | 0.37 | 46 | RK-125 | 3.1(31.6) |
| 3D-12 | 15 | 10.8 | 304 | 50 | 45.0(4590) | 75.0(7650) | 2000 | 0.79 | 70 | RK-150 | 2.8(28.5) |
| * 3D-15 | 20 | 14.5 | 381 | 60 | 53.9(5500) | 90.0(9180) | 1500 | 2.25 | 132 | RK-150 | 3.4(34.2) |
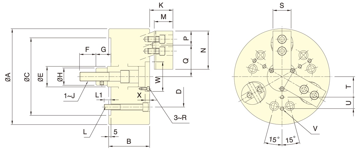
| 品番 | A | B | C | D | E | F | G max. | G min. | H | J | K max. | K min. | L |
|---|---|---|---|---|---|---|---|---|---|---|---|---|---|
| * 3D-04 | 110 | 60 | 85 | 70.6 | 25 | 20 | 22 | 15 | 25 | M10 | 30 | 23 | 3~M10 |
| 3D-05 | 135 | 70 | 110 | 82.6 | 30 | 25 | 24 | 17 | 28 | M12 | 35 | 28 | 3~M10 |
| 3D-06 | 165 | 85 | 140 | 104.8 | 35 | 36 | 37 | 27 | 32 | M16 | 45 | 35 | 6~M10 |
| 3D-08 | 210 | 90 | 170 | 133.4 | 45 | 36 | 38 | 28 | 38 | M20 | 56 | 46 | 6~M12 |
| 3D-10 | 254 | 110 | 220 | 171.5 | 55 | 46 | 47 | 32 | 50 | M24 | 65 | 50 | 6~M16 |
| 3D-12 | 304 | 125 | 220 | 171.5 | 55 | 50 | 49.5 | 34.5 | 53 | M27 | 65 | 50 | 6~M16 |
| * 3D-15 | 381 | 140 | 300 | 235 | 70 | 55 | 61 | 41 | 55 | M30 | 86 | 66 | 6~M20 |
| 品番 | L1 | M | N | P | Q max. | Q min. | R | S | T | U | V | W | X |
|---|---|---|---|---|---|---|---|---|---|---|---|---|---|
| * 3D-04 | 15 | 19.5 | 50 | 22 | 37 | 34.5 | M3 | 25 | 22.5 | - | 3~M6 | 35 | 2 |
| 3D-05 | 16 | 24.5 | 56 | 23 | 46 | 43.5 | M3 | 30 | 27.5 | - | 3~M6 | 44 | 2 |
| 3D-06 | 16 | 31 | 70 | 27 | 57.7 | 54.3 | M4 | 35 | 35 | 20 | 6~M6 | 52 | 7 |
| 3D-08 | 15 | 41 | 84 | 31 | 70.8 | 67.2 | M5 | 40 | 45 | 25 | 6~M8 | 65 | 10 |
| 3D-10 | 24 | 46 | 100 | 38 | 85 | 79.6 | M6 | 50 | 55 | 30 | 6~M8 | 75 | 12 |
| 3D-12 | 22 | 51 | 120 | 42 | 101.9 | 96.5 | M6 | 60 | 70 | 35 | 6~M10 | 90 | 12 |
| * 3D-15 | 30 | 60 | 165 | 60 | 135.6 | 128.3 | M8 | 70 | 95 | 45 | 6~M12 | 120 | 13 |