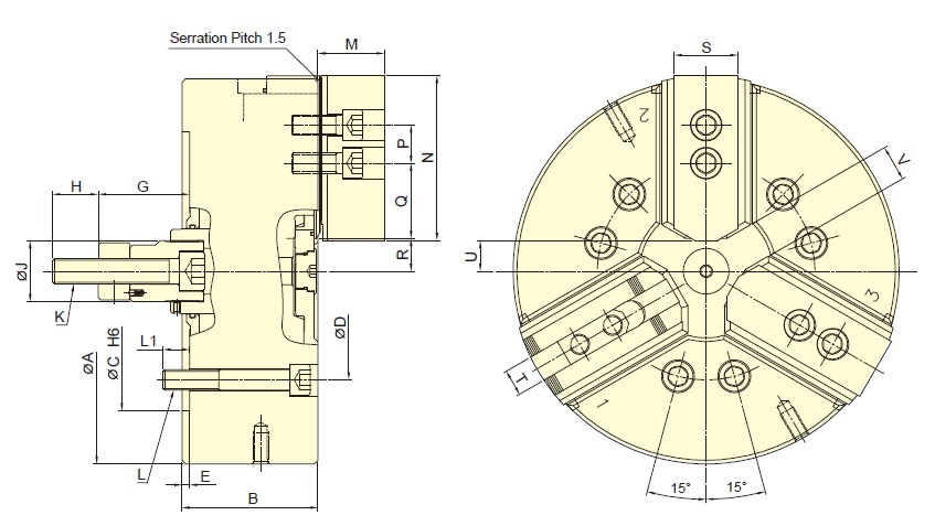
3PS 中実低メンテナンスパワーチャック

特徴
◆3爪のヴェッジフック式パワーチャック
◆完全密閉設計でメンテナンス頻度を低減
◆自動加工ラインに最適
◆高剛性・高把握精度
◆スルークーラント対応(オプション)


品番 プランジャ
ストローク
(mm)
ジョーストローク
(直径)(mm)
最大
把握直径 (mm)
最小
把握直径 (mm)
最大許容
シリンダ推力
kN(kgf)
最大
把握力
kN(kgf)
最高回転数
min-1
(r.p.m.)
慣性モーメント
kg*m2
重量 (kg) 適合シリンダ 最大圧力使用
MPa (kgf/cm2)
3PS-12 30 12.6 304 22 38.5 (3925) 160 (16310) 3360 0.84 67 RK-150(N)
RA-270
2.4 (24.4)
0.7 (7.4)