| 品番 | プランジャストローク (mm) |
ジョーストロ(直径) (mm) |
最大 把握直径 (mm) |
最小 把握直径 (mm) |
最大許容 シリンダ推力 kN (kgf) |
最大把握力 kN (kgf) |
最高回転数 min-1(r.p.m.) |
慣性モーメント kg*m2 |
重量 (kg) |
適合シリンダ | 補正量 (mm) |
|---|---|---|---|---|---|---|---|---|---|---|---|
| 3R-08 | 20 | 8 | 65 | 18 | 19.6(2000) | 53.0(5404) | 2800 | 0.15 | 27 | RK-100(N) | 2 |
| 3R-10 | 25 | 10 | 90 | 22 | 29.4(3000) | 67.7(6901 | 2500 | 0.38 | 45 | RK-125(N) | 2 |
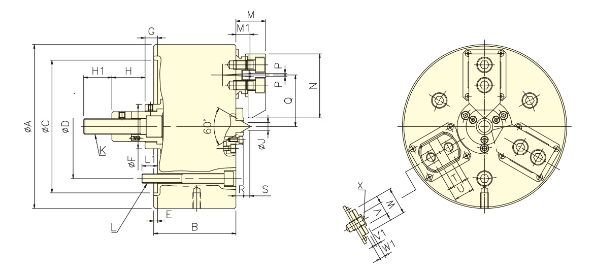
| 品番 | A | B | C(H6) | D | E | F | G max. | G min. | H | H1 | J | K | L | L1 |
|---|---|---|---|---|---|---|---|---|---|---|---|---|---|---|
| 3R-08 | 210 | 105 | 170 | 133.4 | 5 | 57 | 26 | 6 | 42.5 | 36 | 10.4 | M20x2.5 | 3~M12 | 20 |
| 3R-10 | 254 | 115 | 220 | 171.4 | 5.5 | 64 | 36.5 | 11.5 | 25 | 39 | 15 | M20x2.5 | 3~M16 | 22.5 |
| 品番 | M | M1 | N | P | Qmax. | Qmin. | R | S | T(H7) | U | V | V1 | W | W1 | X |
|---|---|---|---|---|---|---|---|---|---|---|---|---|---|---|---|
| 3R-08 | 38 | 18 | 82 | 2 | 68 | 64 | 10 | 7.7 | 12 | 26 | 16 | 3 | 35 | 7 | M12 |
| 3R-10 | 40 | 19 | 102 | 2.6 | 82 | 78 | 10 | 11.3 | 15 | 32 | 18 | 3 | 40 | 7 | M14 |