| 品番 | プランジャ ストローク (mm) |
ジョーストロ (直径) (mm) |
最大 把握直径 (mm) |
最小 把握直径 (mm) |
最大 シリンダ推力 kN (kgf) |
最大 把握力 kN (kgf) |
最高回転数 min-1 (r.p.m.) |
慣性モーメント kg*m2 |
重量 (kg) | 適合シリンダ | 最大圧力使用 MPa (kgf/cm2) |
|---|---|---|---|---|---|---|---|---|---|---|---|
| * 3U-203 | 4 | 2 | 42 | 14 | 5.8(590) | 16.7(1700) | 10000 | 0.001 | 1.8 | RK-75(N) | 1.6(16) |
| * 3U-204 | 6 | 3 | 60 | 10 | 10.0(1020) | 28.4(2900) | 8000 | 0.005 | 3.9 | RK-75(N) | 2.7(27) |
| 3U-205 | 6 | 3 | 84 | 15 | 13.9(1420) | 39.7(4050) | 8000 | 0.012 | 6.8 | RK-100(N) | 2.0(20) |
| 3U-206 | 10 | 5 | 105 | 24 | 17.9(1830) | 57.8(5900) | 7000 | 0.055 | 14.7 | RK-100(N) | 2.6(26) |
| 3U-208 | 10 | 5 | 132 | 25 | 25.0(2550) | 80.0(8150) | 6000 | 0.14 | 25.5 | RK-125(N) | 2.2(22) |
| 3U-210 | 10 | 5 | 163 | 34 | 31.0(3160) | 100.0(10100) | 4500 | 0.36 | 43.5 | RK-125(N) | 3.1(31) |
| 3U-212 | 10 | 5 | 210 | 81 | 35.0(3570) | 100.0(10100) | 3600 | 0.68 | 63.0 | RK-125(N) | 3.1(31) |
| 3U-205K | 6 | 3 | 84 | 15 | 13.9(1420) | 39.7(4050) | 8000 | 0.018 | 6.8 | RL-100,RL-A100N | 2.0(20) |
| 3U-206K | 10 | 5 | 105 | 24 | 17.9(1830) | 57.8(5900) | 7000 | 0.055 | 14.9 | RL-100,RL-A100N | 2.5(25) |
| 3U-208K | 10 | 5 | 132 | 25 | 25.0(2550) | 80.0(8150) | 6000 | 0.14 | 25.8 | RL-125, RL-A125N | 2.2(22) |
| 3U-210K | 10 | 5 | 163 | 34 | 31.0(3160) | 100(10100) | 4500 | 0.36 | 44.0 | RL-125, RL-A125N | 3.1(31) |
| 3U-212K | 10 | 5 | 210 | 81 | 35.0(3570) | 100(10100) | 3600 | 0.68 | 63.8 | RL-125, RL-A125N | 3.1(31) |
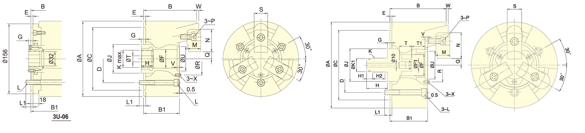
| 品番 | A | B | B1 | C(H6) | D | E | F | F1(H8) | G max. | G min. | H | H1 | H2 | J | K | K1 | L | L1 |
|---|---|---|---|---|---|---|---|---|---|---|---|---|---|---|---|---|---|---|
| * 3U-203 | 85 | 54.5 | 42 | 70 | 54 | 3.5 | 25 | 18 | 14 | 22 | 38 | M20x1.5 | 3~M8 | 11 | ||||
| * 3U-204 | 110 | 72.5 | 55 | 85 | 70.6 | 4 | 30 | 16 | 10 | 24.5 | 42 | M24x1.5 | 3~M10 | 12 | ||||
| 3U-205 | 135 | 84.5 | 63 | 110 | 82.6 | 4 | 35 | 16 | 10 | 26 | 50 | M28x1.5 | 3~M10 | 15 | ||||
| 3U-206 | 168 | 118 | 80 | 140 | 104.8 | 5 | 45 | 20 | 10 | 31 | 60 | M38x1.5 | 3~M10 | 16.5 | ||||
| 3U-208 | 210 | 137 | 92 | 170 | 133.4 | 5 | 52 | 21 | 11 | 31 | 80 | M48x2 | 3~M12 | 18 | ||||
| 3U-210 | 254 | 152 | 102 | 220 | 171.4 | 5 | 75 | 25 | 15 | 37 | 105 | M68x2 | 3~M16 | 23 | ||||
| 3U-212 | 304 | 157 | 102 | 220 | 171.4 | 5 | 100 | 25 | 15 | 37 | 135 | M92x2 | 3~M16 | 26 | ||||
| 3U-205K | 135 | 84.5 | 63 | 110 | 82.6 | 4 | 35 | 14 | 16 | 10 | 42 | 12 | - | 50 | M25X1.5 | 22 | M10 | 15 |
| 3U-206K | 168 | 118 | 80 | 140 | 104.8 | 5 | 45 | 14 | 20 | 10 | 48 | 12 | 30 | 60 | M28X1.5 | 24 | M10 | 16.5 |
| 3U-208K | 210 | 137 | 92 | 170 | 133.4 | 5 | 52 | 16 | 21 | 11 | 51 | 15 | 30 | 80 | M35X1.5 | 30 | M12 | 18 |
| 3U-210K | 254 | 152 | 102 | 220 | 171.4 | 5 | 75 | 16 | 25 | 15 | 51 | 15 | 30 | 105 | M38X1.5 | 34 | M16 | 23 |
| 3U-212K | 304 | 157 | 102 | 220 | 171.4 | 5 | 100 | 16 | 25 | 15 | 51 | 15 | 30 | 135 | M45X1.5 | 40 | M16 | 26 |
| 品番 | M | N | P | Q max. | Q min. | R | S | T | T1 | U(H6) | V | W max. | W min. | X |
|---|---|---|---|---|---|---|---|---|---|---|---|---|---|---|
| * 3U-203 | 12 | 26 | M5 | 7.5 | 6.5 | 38 | 15 | 10 | 32 | 3.5 | 2 | -2 | M3 | |
| * 3U-204 | 17 | 32 | M6 | 10.75 | 9.25 | 46 | 20 | 10 | 38 | 4 | 3 | -3 | M4 | |
| 3U-205 | 20 | 41.5 | M8 | 13.25 | 11.75 | 55 | 24 | 10 | 45 | 5 | 3 | -3 | M5 | |
| 3U-206 | 30 | 50 | M10 | 15.75 | 13.25 | 72 | 30 | 17 | 58 | 6 | 5 | -5 | M5 | |
| 3U-208 | 34 | 63 | M12 | 16.25 | 13.75 | 82 | 35 | 17 | 68 | 6 | 5 | -5 | M6 | |
| 3U-210 | 39 | 74 | M14 | 20.75 | 18.25 | 107 | 40 | 17 | 93 | 6 | 5 | -5 | M8 | |
| 3U-212 | 44 | 74 | M14 | 44.25 | 41.75 | 130 | 40 | 17 | 114 | 6 | 5 | -5 | M10 | |
| 3U-205K | 20 | 41.5 | M8 | 13.25 | 11.75 | 55 | 24 | 25 | 15.5 | 45 | 5 | 3 | -3 | M5 |
| 3U-206K | 30 | 50 | M10 | 15.75 | 13.25 | 72 | 30 | 30 | 26.5 | 58 | 6 | 5 | -5 | M5 |
| 3U-208K | 34 | 63 | M12 | 16.25 | 13.75 | 82 | 35 | 30 | 32.5 | 68 | 6 | 5 | -5 | M6 |
| 3U-210K | 39 | 74 | M14 | 20.75 | 18.25 | 107 | 40 | 30 | 36.5 | 93 | 6 | 5 | -5 | M8 |
| 3U-212K | 44 | 74 | M14 | 44.25 | 41.75 | 130 | 40 | 30 | 36.5 | 114 | 6 | 5 | -5 | M10 |