| 品番 | プランジャ ストローク (mm) |
ジョーストローク (直径) (mm) |
最大 把握直径 (mm) |
最小 把握直径 (mm) |
最大許容 シリンダ推力 kN (kgf) |
最大 把握力 kN (kgf) |
最高回転数 min-1(r.p.m.) |
慣性モーメント kg*m2 |
重量 (kg) | 重量 (kg) | 適合シリンダ | 最大圧力使用 MPa (kgf/cm2) |
|
|---|---|---|---|---|---|---|---|---|---|---|---|---|---|
| 4H-06 | A5 | 12 | 5.5 | 168 | 15 | 21.6 (2200) |
56.8 (5600) |
5000 | 0.07 | 12.5 | 14.3 | TK-C646 | 2.5(25) |
| 4H-08 | A5 | 16 | 7.4 | 210 | 13 | 34.3 (3500) |
85.8 (8750) |
4200 | 0.19 | 23.5 | 25.4 | TK-A853 | 2.8(28) |
| 4H-08 | A6 | 16 | 7.4 | 210 | 13 | 34.3 (3500) |
85.8 (8750) |
4200 | 0.19 | 23.5 | 24.3 | TK-A853 | 2.8(28) |
| 4H-10 | A6 | 19 | 8.8 | 254 | 25 | 42.6 (4380) |
110.7 (11300) |
3400 | 0.34 | 36.3 | 41 | TK-A1075 | 2.8(28) |
| 4H-10 | A8 | 19 | 8.8 | 254 | 25 | 42.6 (4380) |
110.7 (11300) |
3400 | 0.34 | 36.3 | 39.3 | TK-A1075 | 2.8(28) |
| 4H-12 | A8 | 23 | 10.6 | 304 | 34 | 54.9 (5600) |
143.6 (14650) |
2700 | 0.79 | 62 | 65.7 | TK-A1291 | 2.6(26) |
| 4H-15 | A8 | 23 | 10.6 | 381 | 50 | 71 (7250) |
179.8 (18350) |
2000 | 2.50 | 123.7 | 137.7 | TK-A1512 | 2.3(23) |
| 4H-15 | A11 | 23 | 10.6 | 381 | 50 | 71 (7250) |
179.8 (18350) |
2000 | 2.42 | 123.7 | 130.7 | TK-A1512 | 2.3(23) |
| 4H-18 | A11 | 23 | 10.6 | 450 | 50 | 71 (7250) |
179.8 (18350) |
1700 | 4.85 | 170 | 184 | TK-A1512 | 2.3(23) |
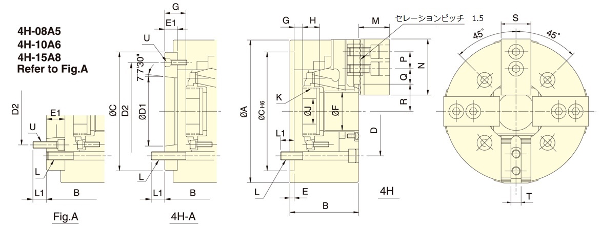
| 品番 | A | B | B | C | D | D1 | D2 | E | E1 | F | G max. | G max. | G min. | G min. | H | J | |
|---|---|---|---|---|---|---|---|---|---|---|---|---|---|---|---|---|---|
| 4H-06 | A5 | 168 | 81 | 91 | 140 | 104.8 | 82.56 | 116 | 5 | 15 | 45 | 11 | 26 | -1 | 14 | 19 | 20 |
| 4H-08 | A5 | 210 | 91 | 109 | 170 | 133.4 | 82.56 | 104.8 | 5 | 23 | 52 | 14.5 | 37.5 | -1.5 | 21.5 | 20.5 | 30 |
| 4H-08 | A6 | 210 | 91 | 103 | 170 | 133.4 | 106.38 | 150 | 5 | 17 | 52 | 14.5 | 31.5 | -1.5 | 15.5 | 20.5 | 30 |
| 4H-10 | A6 | 254 | 100 | 120 | 220 | 171.4 | 106.38 | 133.4 | 5 | 25 | 75 | 8.5 | 33.5 | -10.5 | 14.5 | 25 | 45 |
| 4H-10 | A8 | 254 | 100 | 113 | 220 | 171.4 | 139.72 | 190 | 5 | 18 | 75 | 8.5 | 26.5 | -10.5 | 7.5 | 25 | 45 |
| 4H-12 | A8 | 304 | 110 | 122 | 220 | 171.4 | 139.72 | 190 | 6 | 18 | 91 | 8 | 26 | -15 | 3 | 28 | 50 |
| 4H-15 | A8 | 381 | 133 | 160 | 300 | 235 | 139.72 | 171.4 | 6 | 33 | 120 | 11 | 44 | -12 | 21 | 39 | 60 |
| 4H-15 | A11 | 381 | 133 | 149 | 300 | 235 | 196.87 | 260 | 6 | 22 | 120 | 11 | 33 | -12 | 10 | 39 | 60 |
| 4H-18 | A11 | 450 | 133 | 149 | 300 | 235 | 196.87 | 260 | 6 | 22 | 120 | 11 | 33 | -12 | 10 | 39 | 60 |
| 品番 | K max. | L | L1 | L1 | M | N | P | Q max. | Q min. | R max. | R min. | S | T | U | |
|---|---|---|---|---|---|---|---|---|---|---|---|---|---|---|---|
| 4H-06 | A5 | M55x2 | 4~M10 | 16 | 16 | 37 | 73 | 20 | 22.8 | 9.3 | 32 | 29.3 | 31 | 12 | 3~M6 |
| 4H-08 | A5 | M60x2 | 4~M12 | 20 | 17 | 38 | 95 | 25 | 29.8 | 14.8 | 38.7 | 35 | 35 | 14 | 6~M10 |
| 4H-08 | A6 | M60x2 | 4~M12 | 20 | 18 | 38 | 95 | 25 | 29.8 | 14.8 | 38.7 | 35 | 35 | 14 | 3~M6 |
| 4H-10 | A6 | M85x2 | 4~M16 | 22 | 18 | 43 | 110 | 30 | 33.8 | 14.3 | 51 | 46.6 | 40 | 16 | 6~M12 |
| 4H-10 | A8 | M85x2 | 4~M16 | 22 | 24 | 43 | 110 | 30 | 33.8 | 14.3 | 51 | 46.6 | 40 | 16 | 3~M8 |
| 4H-12 | A8 | M100x2 | 4~M16 | 23 | 25 | 51 | 130 | 30 | 45.8 | 15.8 | 61.3 | 56 | 50 | 21 | 3~M8 |
| 4H-15 | A8 | M130x2 | 4~M20 | 30 | 24 | 63 | 165 | 43 | 47.5 | 20.5 | 80 | 74.7 | 62 | 25.5/22 | 6~M16 |
| 4H-15 | A11 | M130x2 | 4~M20 | 30 | 28 | 63 | 165 | 43 | 47.5 | 20.5 | 80 | 74.7 | 62 | 25.5/22 | 3~M10 |
| 4H-18 | A11 | M130x2 | 4~M20 | 30 | 28 | 63 | 165 | 43 | 83.5 | 20.5 | 80 | 74.7 | 62 | 25.5/22 | 3~M10 |