| 品番 | プランジャストローク (mm) |
最大把握能力(mm) | 許容シリンダ推力 kN (kgf) |
最大把握 kN (kgf) |
最高回転数 min-1(r.p.m.) |
重量 (kg) | 適合コレット | 適合シリンダ | 最大圧力使用 MPa (kgf/cm2) |
||
|---|---|---|---|---|---|---|---|---|---|---|---|
| 円筒 | 角材 | 六角材 | |||||||||
| CBD-65 | 4.5 | 4~65 | 8~46 | 8~56 | 44.1(4500) | 103(10500) | 6000 | 9.3 | RG-65 | TK-1068 | 2.7(27) |
| CBD-6517 | 4.5 | 4~65 | 8~46 | 8~56 | 44.1(4500) | 103(10500) | 6000 | 8.6 | RG-65 | TK-1068 | 2.7(27) |
| CBD-65A5 | 4.5 | 4~65 | 8~46 | 8~56 | 44.1(4500) | 103(10500) | 6000 | 10.8 | RG-65 | TK-1068 | 2.7(27) |
| CBD-65A6 | 4.5 | 4~65 | 8~46 | 8~56 | 44.1(4500) | 103(10500) | 6000 | 9.5 | RG-65 | TK-1068 | 2.7(27) |
| CBD-65A8 | 4.5 | 4~65 | 8~46 | 8~56 | 44.1(4500) | 103(10500) | 6000 | 9.5 | RG-65 | TK-1068 | 2.7(27) |
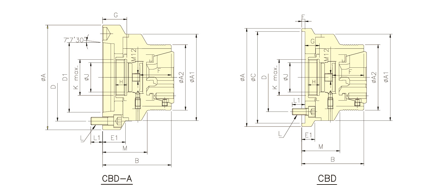
| 品番 | A | A1 | A2 | B | C(H6) | D | D1 | E | E1 | F | G max. | G min. | H | J | K max. | L | L1 | M |
|---|---|---|---|---|---|---|---|---|---|---|---|---|---|---|---|---|---|---|
| CBD-65 | 157 | 157 | 122 | 114 | 140 | 104.8 | - | 6 | - | 54 | 35 | 30.5 | 17.5 | 68 | M75x2 | 4~M10x30 | 18 | 72 |
| CBD-6517 | 180 | 157 | 122 | 112 | 170 | 133.4 | - | 6 | 24 | 54 | 33 | 28.5 | 17.5 | 68 | M75x2 | 4~M12x30 | 18 | 70 |
| CBD-65A5 | 157 | 157 | 122 | 112 | - | 104.8 | 82.56 | - | - | 54 | 39 | 34.5 | 17.5 | 68 | M75x2 | 4~M10x25 | 16 | 70 |
| CBD-65A6 | 157 | 157 | 122 | 110 | - | 133.4 | 106.38 | - | - | 54 | 37 | 32.5 | 17.5 | 68 | M75x2 | 4~M12x35 | 18.5 | 68 |
| CBD-65A8 | 202 | 157 | 122 | 114 | - | 171.4 | 139.72 | - | 38 | 54 | 41 | 36.5 | 17.5 | 68 | M75x2 | 4~M16x35 | 24 | 72 |