| sXgĘĎ cm2 | W[Xg[N (źa) (mm) |
cŹ\Í (mm) |
ĹĺcŹ kN(kgf) |
ĹĺłÍgp MPa (kgf/cm2) |
dĘ (kg) |
||
|---|---|---|---|---|---|---|---|
| iÔ | ľ¤ | řŤ¤ | |||||
| CP-20 | 28.27 | 25.13 | 20 | 150 | 16.2(1650) | 3.5(35) | 9.5 |
| CP-30A | 28.27 | 25.13 | 30 | 180 | 17.7(1800) | 3.5(35) | 11 |
| CP-30 | 28.27 | 25.13 | 30 | 210 | 17.7(1800) | 3.5(35) | 12 |
| CP-40 | 28.27 | 25.13 | 40 | 200 | 14.7(1500) | 3.5(35) | 12 |
| CP-50 | 38.48 | 33.57 | 50 | 215 | 20.3(2070) | 3.5(35) | 18.5 |
| * CP-70 | 50.26 | 45.35 | 70 | 235 | 26.9(2742) | 3.5(35) | 30 |
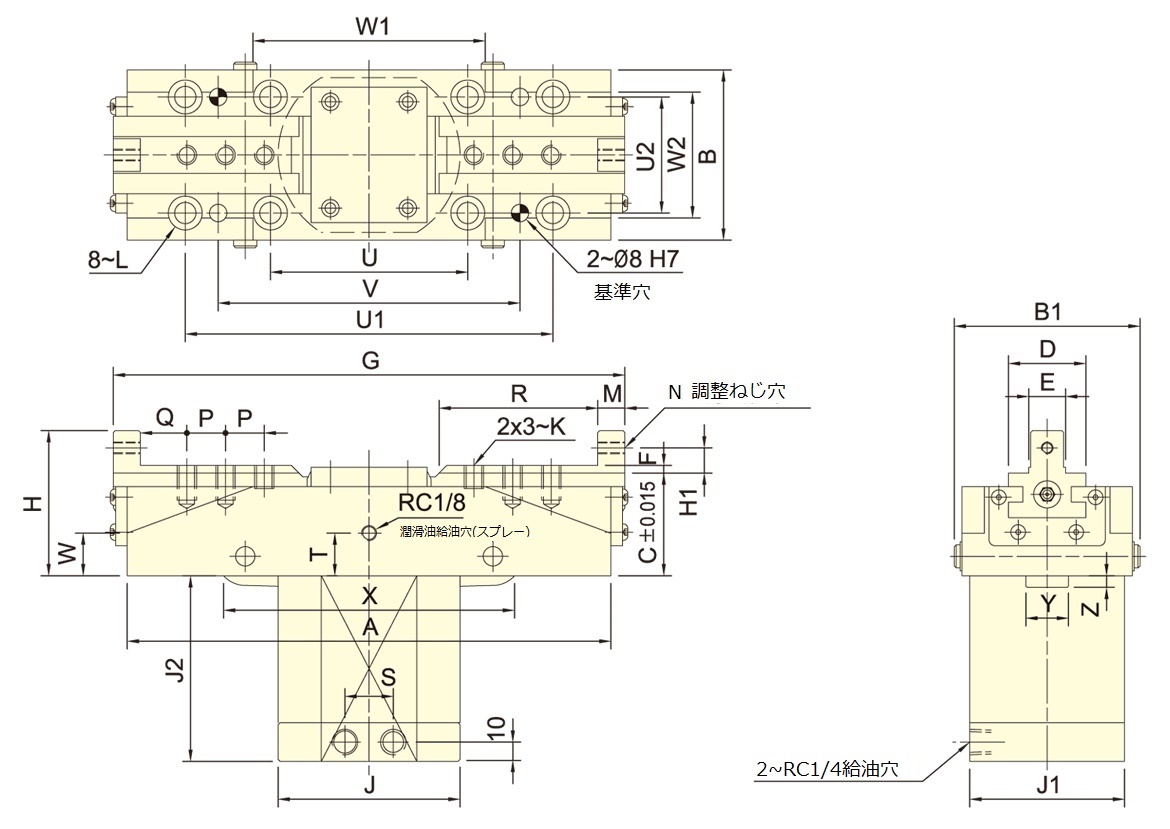
| iÔ | A | B | B1 | C | D | E(h6) | F | G max. | G min. | H | H1 | J | J1 | J2 | K | L | M |
|---|---|---|---|---|---|---|---|---|---|---|---|---|---|---|---|---|---|
| CP-20 | 215 | 88 | 96 | 53 | 40 | 18 | 4 | 249 | 229 | 75 | 13 | 94 | 76 | 83.5 | M10x1.5 | M10 | 12 |
| CP-30A | 250 | 88 | 96 | 53 | 40 | 18 | 4 | 295 | 265 | 75 | 13 | 94 | 76 | 96 | M10x1.5 | M10 | 14 |
| CP-30 | 280 | 88 | 96 | 53 | 40 | 22 | 4 | 327 | 297 | 75 | 13 | 94 | 76 | 96 | M12x1.75 | M10 | 14 |
| CP-40 | 270 | 88 | 96 | 53 | 40 | 22 | 4 | 331 | 291 | 75 | 13 | 94 | 76 | 110 | M12x1.75 | M10 | 14 |
| CP-50 | 300 | 110 | 115 | 65 | 50 | 28 | 5 | 369 | 319 | 90 | 15 | 105 | 105 | 120 | M12x1.75 | M10 | 16 |
| *CP-70 | 346 | 120 | 126 | 89 | 55 | 32 | 5 | 430 | 360 | 114 | 15 | 115 | 115 | 146 | M14x2 | M12 | 16 |
| iÔ | N | P | Q | R | S | T | U | U1 | U2 | V | W | W1 | W2 | X | Y | Z |
|---|---|---|---|---|---|---|---|---|---|---|---|---|---|---|---|---|
| CP-20 | M6x1 | 18 | 20 | 66 | 24 | 22 | 102 | 190 | 60 | 156 | 32 | 110 | 65 | 150 | 22 | 4 |
| CP-30A | M6x1 | 20 | 24 | 96 | 24 | 22 | 102 | 190 | 60 | 156 | 20 | 120 | 65 | 156 | 22 | 6 |
| CP-30 | M6x1 | 20 | 24 | 98 | 24 | 22 | 102 | 190 | 60 | 156 | 23 | 110 | 65 | 156 | 22 | 6 |
| CP-40 | M6x1 | 20 | 24 | 98 | 24 | 22 | 102 | 190 | 60 | 156 | 25 | 110 | 65 | 150 | 22 | 10.5 |
| CP-50 | M8x1.25 | 21 | 28 | 102 | 30 | 32 | 105 | 230 | 85 | 195 | 29 | 140 | 80 | 180 | 30 | 10 |
| * CP-70 | M8x1.25 | 23 | 28 | 112 | 30 | 52 | 120 | 275 | 95 | 240 | 42 | 155 | 90 | 210 | 34 | 23.5 |