| 品番 | 有効ピストン面積 cm2 伸びた状態 |
有効ピストン面積 cm2 縮んだ状態 |
ピストンストローク (mm) |
最大回転速度 min-1(r.p.m.) |
最大圧力 MPa(kgf/cm2) |
I kg・m2 |
重量 (kg) |
|---|---|---|---|---|---|---|---|
| RC-85 | 43.8 | 48.1 | 20 | 5000 | 3.5(35) | 0.01 | 6.8 |
| RC-100 | 65.6 | 64.4 | 20 | 5000 | 3.5(35) | 0.02 | 9.2 |
| RC-125 | 109.8 | 108.5 | 25 | 5000 | 3.5(35) | 0.03 | 11.1 |
| RC-145 | 152.2 | 143.9 | 30 | 5000 | 3.5(35) | 0.03 | 14.6 |
| RC-200 | 279.3 | 273.6 | 35 | 4000 | 4.0(40) | 0.26 | 35.5 |
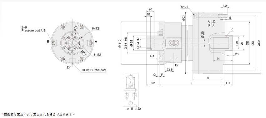
| 品番 | A | B | C1 | C2 | D | E(h7) | F | G1max. | G1min. | G2max. | G2min. | H | J | K | L1 | L2 | M H8 | M1 | N | P | Q | Q1 | R | S1 | S2 | T1 | T2 |
|---|---|---|---|---|---|---|---|---|---|---|---|---|---|---|---|---|---|---|---|---|---|---|---|---|---|---|---|
| RC-85 | 85 | 20 | 120 | 116 | 100 | 65 | 30 | 45 | 25 | 28 | 8 | 70 | 150 | M20x1.5 | 6~M8x75 | 12.5 | 20.5 | 10 | 40 | 14 | 4 | 3 | RC3/8 | 31 | M4x10 | 48 | M5x9 |
| RC-100 | 100 | 20 | 135 | 131 | 115 | 80 | 40 | 45 | 25 | 28 | 8 | 72 | 158.5 | M30x1.5 | 6~M8x75 | 12.5 | 32 | 10 | 50 | 14 | 4 | 3 | RC3/8 | 31 | M4x10 | 48 | M5x9 |
| RC-125 | 125 | 25 | 160 | 156 | 140 | 110 | 40 | 50 | 25 | 33 | 8 | 78 | 164 | M30x1.5 | 6~M8x80 | 11 | 32 | 10 | 50 | 14 | 4 | 3 | RC3/8 | 31 | M4x10 | 48 | M5x9 |
| RC-145 | 145 | 30 | 187 | 183 | 165 | 110 | 50 | 55 | 25 | 38 | 8 | 89.5 | 169.5 | M40x1.5 | 6~M10x90 | 18 | 42 | 12 | 57 | 14 | 4 | 3 | RC3/8 | 31 | M4x10 | 48 | M5x9 |
| RC-200 | 195 | 35 | 257 | 257 | 225 | 120 | 55 | 73 | 38 | 51.5 | 16.5 | 120 | 222.5 | M36x4.0 | 6~M16x130 | 26 | 38 | 12 | 65 | 15 | 6.5 | 4 | RC1/2 | 35 | M4x10 | 60 | M5x11 |