| 品番 | ジョーストローク (直径) (mm) |
最大 把握直径(mm) |
最小 把握直径(mm) |
最大把握力 kN (kgf) |
最大圧力使用 MPa (kgf/cm2) |
最低圧力使用 kgf/cm2 |
空気消耗量 (圧力使用 6.0 kgf/cm2) |
重量 (kg) |
||
|---|---|---|---|---|---|---|---|---|---|---|
| 気圧 | 油圧 | 気圧 | 油圧 | |||||||
| * SD-304 | 5 | 110 | 18 | 5.0 (510) | 10.9 (1112) | 0.6 (6) | 1.3 (13) | 2 | 0.26 | 8.1 |
| SD-306 | 7.2 | 165 | 35 | 11.5 (1173) | 25.0 (2550) | 0.6 (6) | 1.3 (13) | 2 | 0.58 | 20.6 |
| SD-308 | 7.2 | 210 | 28 | 21.7 (2213) | 47.0 (4793) | 0.6 (6) | 1.3 (13) | 2 | 1.02 | 34.1 |
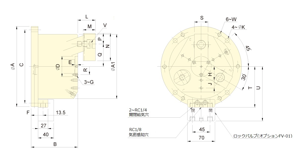
| 品番 | A(h7) | A1 | B | C | D(H7/h7) | E | F | G | H | J | K | L max. |
|---|---|---|---|---|---|---|---|---|---|---|---|---|
| * SD-304 | 148 | 110 | 93.5 | 130 | 35 | 2 | 15 | M3 | 22.5 | 10 | 9 | 30 |
| SD-306 | 206 | 165 | 116 | 188 | 52 | 7 | 18 | M4 | 35 | 20 | 11 | 45 |
| SD-308 | 248 | 210 | 122 | 230 | 65 | 10 | 18 | M5 | 45 | 25 | 11 | 56 |
| 品番 | L min. | M | N | P | Q max. | Q min. | R | S | T | U | V | W |
|---|---|---|---|---|---|---|---|---|---|---|---|---|
| * SD-304 | 23 | 19.5 | 52 | 19 | 37 | 34.5 | 27 | 25 | 75.5 | 110.5 | 3~M10 | M8x1.25 |
| SD-306 | 35 | 31 | 70 | 27 | 57.8 | 54.2 | 42 | 35 | 104.5 | 139.5 | 3~M14 | M10x1.5 |
| SD-308 | 46 | 41 | 84 | 31 | 70.8 | 67.2 | 53 | 40 | 125.5 | 160.5 | 6~M12 | M10x1.5 |