| 品番 | ジョーストローク (直径) (mm) |
最大 把握直径(mm) |
最小 把握直径(mm) |
最大把握力 kN (kgf) |
最大圧力使用 MPa (kgf/cm2) |
最低圧力使用 kgf/cm2 |
空気消耗量 (圧力使用 6.0 kgf/cm2) |
重量 (kg) |
||
|---|---|---|---|---|---|---|---|---|---|---|
| 気圧 | 油圧 | 気圧 | 油圧 | |||||||
| * SE-305 | 3 | 83 | 29 | 14.3 (1459) | 41.0 (4181) | 0.7 (7) | 1.3 (13) | 2 | 0.46 | 14.6 |
| SE-306 | 5 | 110 | 44 | 20.0 (2040) | 57.0 (5812) | 0.7 (7) | 1.3 (13) | 2 | 0.58 | 20 |
| SE-308 | 5 | 150 | 50 | 32.0 (3263) | 78.0 (7954) | 0.7 (7) | 1.3 (13) | 2 | 1.02 | 33 |
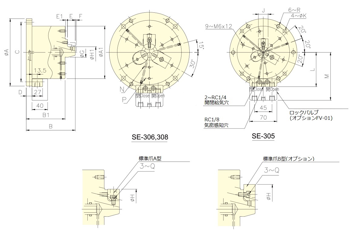
| 品番 | A(h7) | A1 | B | B1 | C | D | E | E1 | Fmax. | Fmin | G |
|---|---|---|---|---|---|---|---|---|---|---|---|
| * SE-305 | 173 | 135 | 126 | 100 | 155 | 15 | 20 | 5 | 3 | -3 | 25 |
| SE-306 | 206 | 168 | 140 | 108 | 188 | 18 | 23 | 7 | 5 | -5 | 40 |
| SE-308 | 248 | 210 | 164 | 119 | 230 | 18 | 30 | 9 | 5 | -5 | 49 |
| 品番 | TypeA H max. |
TypeA H min. |
TypeB H max. |
TypeB H min. |
H1max. | H1min. | J | K | L | M | N | P | Q | R |
|---|---|---|---|---|---|---|---|---|---|---|---|---|---|---|
| * SE-305 | 68 | 50 | 83 | 67 | 50 | 29 | 25 | 9 | 88 | 123 | 55 | 110 | 3~M6 | M8x1.25 |
| SE-306 | 90 | 70 | 110 | 89 | 70 | 44 | 31 | 11 | 104.5 | 139.5 | 76 | 134 | 3~M8 | M10x1.5 |
| SE-308 | 110 | 90 | 150 | 108 | 90 | 50 | 35 | 11 | 125.5 | 160.5 | 100 | 170 | 3~M8 | M10x1.5 |