| 品番 | 有効ピストン面積 cm2 伸びた状態 |
有効ピストン面積 cm2 縮んだ状態 |
ピストンストローク (mm) |
最大回転速度 min-1(r.p.m.) |
最大圧力 MPa(kgf/cm2) |
I kg・m2 |
重量 (kg) |
総オイル漏れ lit./min |
|---|---|---|---|---|---|---|---|---|
| TK-A528 | 73 | 69.7 | 12 | 8000 | 4.5 (45) | 0.012 | 6.2 | 3 |
| TK-A533 | 73 | 69.7 | 12 | 8000 | 4.5 (45) | 0.012 | 6 | 3 |
| TK-C643 | 99.1 | 88.0 | 15 | 7000 | 4.5 (45) | 0.018 | 7.5 | 3 |
| TK-A646 | 105.0 | 93.9 | 15 | 7000 | 4.5 (45) | 0.018 | 7.3 | 3 |
| TK-B646 | 105.0 | 93.9 | 15 | 7000 | 4.5 (45) | 0.018 | 8.6 | 3 |
| TK-C646 | 99.1 | 88.0 | 15 | 7000 | 4.5 (45) | 0.018 | 7.5 | 3 |
| TK-B846 | 135.3 | 125.0 | 20 | 6300 | 4.5 (45) | 0.032 | 12.4 | 3.9 |
| TK-A853 | 135.3 | 125.0 | 20 | 6300 | 4.5 (45) | 0.032 | 11.8 | 3.9 |
| TK-B853 | 135.3 | 125.0 | 20 | 6300 | 4.5(45) | 0.032 | 11.7 | 3.9 |
| TK-A1068 | 170.1 | 155.3 | 25 | 5500 | 4.5(45) | 0.065 | 19.2 | 4.2 |
| TK-A1075 | 170.1 | 155.0 | 25 | 5500 | 4.5(45) | 0.065 | 18.8 | 4.2 |
| TK-A1078 | 170.1 | 155.3 | 25 | 5500 | 4.5(45) | 0.065 | 17.4 | 4.2 |
| TK-A1287 | 234 | 217.5 | 30 | 3800 | 4.0 (40) | 0.092 | 24.8 | 4.5 |
| TK-A1291 | 234 | 217.5 | 30 | 3800 | 4.0 (40) | 0.092 | 24.8 | 4.5 |
| TK-A1511 | 336.4 | 315.2 | 30 | 3000 | 3.5(35) | 0.38 | 57.9 | 7 |
| TK-A1512 | 336.4 | 315.2 | 30 | 3000 | 3.5(35) | 0.38 | 53.8 | 7 |
| TK-2114 | 373.2 | 336.1 | 35 | 2500 | 3.0 (30) | 0.54 | 58.2 | 8 |
| TK-2416 | 418.4 | 375.4 | 35 | 2000 | 3.0 (30) | 1.12 | 78 | 9 |
| TK-2416L | 418.4 | 375.4 | 51 | 2000 | 3.0 (30) | 1.31 | 79.2 | 9 |
| TK-2820 | 526.2 | 472.6 | 51 | 1600 | 3.0 (30) | 2.4 | 134 | 10 |
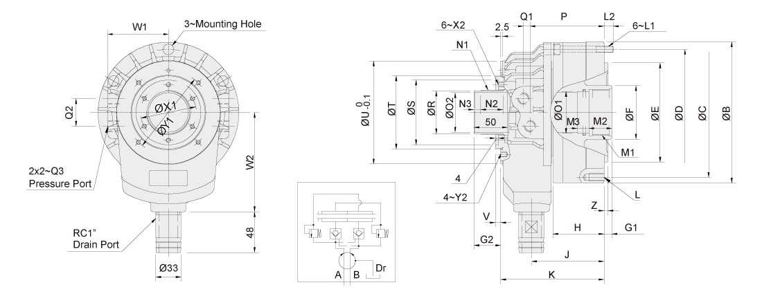
| 品番 | A I.D. | B | C | D | E h7 | F | G1max. | G1min | G2max. | G2min | H | J | K | L | L1 | L2 | M1 | M2 | M3 | N1 | N2 | N3 | O1 H8 | O2 H8 | P | Q1 | Q2 | Q3 | R g7 | S H7 | T | U | V | W1 | W2 | X1 | X2 | Y1 | Y2 | Z |
|---|---|---|---|---|---|---|---|---|---|---|---|---|---|---|---|---|---|---|---|---|---|---|---|---|---|---|---|---|---|---|---|---|---|---|---|---|---|---|---|---|
| TK-A528 | 105 | 141 | 125 | 125 | 110 | 45 | 12 | 0 | 38 | 26 | 49 | 77.5 | 123 | 6~M8x20 | M8x55 | 14 | M38x1.5 | 25 | 13 | M39x1.5 | 25 | 8 | 35 | 28 | 79 | 8.5 | 30 | RC1/4 | 37 | 62 | 70 | 98 | 6 | 62 | 110 | 49 | M6x6 | 83 | M5x6 | 5 |
| TK-A533 | 105 | 141 | 125 | 125 | 110 | 45 | 12 | 0 | 38 | 26 | 49 | 77.5 | 123 | 6~M10x20 | M8x55 | 14 | M38x1.5 | 25 | 13 | M39x1.5 | 25 | 8 | 35 | 33 | 79 | 8.5 | 30 | RC1/4 | 37 | 62 | 70 | 98 | 6 | 62 | 110 | 49 | M6x6 | 83 | M5x6 | 5 |
| TK-C643 | 128 | 156 | 140 | 140 | 120 | 65 | 15 | 0 | 44 | 29 | 56 | 85 | 125 | 12~M10x20 | M8x60 | 12 | M50x2 | 25 | 13 | M52x1.5 | 29 | 9 | 45 | 43 | 87 | 8.5 | 36 | RC3/8 | 50 | 76 | 85 | 116 | 9.5 | 74 | 120 | 64 | M6x10 | 98 | M5x6 | 5 |
| TK-A646 | 128 | 162 | 147 | 147 | 130 | 65 | 15 | 0 | 44 | 29 | 56 | 85 | 125 | 12~M10x20 | M8x60 | 12 | M55x2 | 25 | 13 | M52x1.5 | 29 | 9 | 50 | 46 | 87 | 8.5 | 36 | RC3/8 | 50 | 76 | 85 | 116 | 9.5 | 74 | 120 | 64 | M6x10 | 98 | M5x6 | 5 |
| TK-B646 | 128 | 162 | 130 | 147 | 100 | 65 | 15 | 0 | 44 | 29 | 66 | 95 | 135 | 12~M10x20 | M8x70 | 12 | M55x2 | 30 | 15 | M52x1.5 | 29 | 9 | 50 | 46 | 97 | 8.5 | 36 | RC3/8 | 50 | 76 | 85 | 116 | 9.5 | 74 | 120 | 64 | M6x10 | 98 | M5x6 | 5 |
| TK-C646 | 125 | 156 | 140 | 140 | 120 | 65 | 15 | 0 | 44 | 29 | 56 | 85 | 125 | 12~M10x20 | M8x60 | 12 | M55x2 | 25 | 13 | M52x1.5 | 29 | 9 | 50 | 46 | 87 | 8.5 | 36 | RC3/8 | 50 | 76 | 85 | 116 | 9.5 | 74 | 120 | 64 | M6x10 | 98 | M5x6 | 5 |
| TK-B846 | 145 | 185 | 170 | 165 | 130 | 70 | 20 | 0 | 48 | 28 | 66 | 95 | 135 | 12~M10x20 | M8x70 | 12 | M55x2 | 30 | 15 | M58x1.5 | 30 | 8 | 50 | 46 | 97 | 8.5 | 36 | RC3/8 | 56 | 85 | 96 | 128 | 11.5 | 79 | 130 | 73 | M6x12 | 110 | M6x6 | 5 |
| TK-A853 | 145 | 185 | 170 | 165 | 140 | 70 | 20 | 0 | 48 | 28 | 66 | 95 | 135 | 12~M10x20 | M8x70 | 12 | M60x2 | 30 | 15 | M58x1.5 | 30 | 8 | 55 | 53 | 97 | 8.5 | 36 | RC3/8 | 56 | 85 | 96 | 128 | 11.5 | 79 | 130 | 73 | M6x12 | 110 | M6x6 | 5 |
| TK-B853 | 145 | 185 | 170 | 165 | 130 | 70 | 20 | 0 | 48 | 28 | 66 | 95 | 135 | 12~M10x20 | M8x70 | 12 | M60x2 | 30 | 15 | M58x1.5 | 30 | 8 | 55 | 53 | 97 | 8.5 | 36 | RC3/8 | 56 | 85 | 96 | 128 | 11.5 | 79 | 130 | 73 | M6x12 | 110 | M6x6 | 5 |
| TK-A1068 | 170 | 212 | 190 | 190 | 160 | 95 | 25 | 0 | 50 | 25 | 74 | 108 | 158 | 12~M10x20 | M10x80 | 16 | M75x2 | 35 | 15 | M84x2 | 34 | 9 | 70 | 68 | 110 | 12 | 40 | RC1/2 | 81 | 108 | 121 | 164 | 10 | 98 | 160 | 98 | M6x12 | 155 | M6x8 | 5 |
| TK-A1075 | 170 | 212 | 190 | 190 | 160 | 95 | 25 | 0 | 50 | 25 | 74 | 108 | 158 | 12~M10x20 | M10x80 | 16 | M85x2 | 35 | 15 | M84x2 | 34 | 9 | 80 | 75 | 110 | 12 | 40 | RC1/2 | 81 | 108 | 121 | 164 | 10 | 98 | 160 | 98 | M6x12 | 155 | M6x8 | 5 |
| TK-A1078 | 170 | 212 | 190 | 190 | 160 | 95 | 25 | 0 | 50 | 25 | 74 | 108 | 158 | 12~M10x20 | M10x80 | 16 | M87x2 | 35 | 15 | M84x2 | 34 | 9 | 82 | 78 | 110 | 12 | 40 | RC1/2 | 81 | 108 | 121 | 164 | 10 | 98 | 160 | 98 | M6x12 | 155 | M6x8 | 5 |
| TK-A1287 | 200 | 245 | 215 | 225 | 180 | 110 | 30 | 0 | 59 | 29 | 86 | 126 | 184 | 12~M12x24 | M10x90 | 14.5 | M95x2 | 35 | 15 | M99x2 | 38 | 9 | 90 | 87 | 127.5 | 15 | 45 | RC1/2 | 96 | 120 | 138 | 180 | 7 | 110 | 185 | 108 | M6x10 | 165 | M6x10 | 5 |
| TK-A1291 | 200 | 245 | 215 | 225 | 180 | 110 | 30 | 0 | 59 | 29 | 86 | 126 | 184 | 12~M12X24 | M10x90 | 14.5 | M100x2 | 35 | 15 | M99x2 | 38 | 9 | 95 | 91 | 127.5 | 15 | 45 | RC1/2 | 96 | 120 | 138 | 180 | 7 | 110 | 185 | 108 | M6x10 | 165 | M6x10 | 5 |
| TK-A1511 | 250 | 300 | 275 | 275 | 230 | 140 | 30 | 0 | 58 | 28 | 102 | 156 | 226 | 12~M16X36 | M12x110 | 21 | M120x2 | 45 | 15 | M129x2 | 38 | 9 | 115 | 110 | 153.75 | 17 | 50 | RC1/2 | 126 | 150 | 170 | 227 | 7 | 134 | 210 | 138 | M6x10 | 210 | M6x9 | 6 |
| TK-A1512 | 250 | 300 | 275 | 275 | 230 | 140 | 30 | 0 | 58 | 28 | 102 | 156 | 226 | 12~M16X36 | M12x110 | 21 | M130x2 | 45 | 15 | M129x2 | 38 | 9 | 125 | 120 | 153.75 | 17 | 50 | RC1/2 | 126 | 150 | 170 | 227 | 7 | 134 | 210 | 138 | M6x10 | 210 | M6x9 | 6 |
| TK-2114 | 265 | 320 | 295 | 295 | 240 | 165 | 35 | 0 | 60 | 25 | 115 | 173.5 | 247.5 | 12~M16X36 | M12x120 | 17.5 | M155x2 | 45 | 20 | M149x2 | 38 | 9 | 145 | 140 | 170 | 17 | 50 | RC1/2 | 146 | 170 | 190 | 250 | 7 | 145 | 210 | 160 | M6x10 | 230 | M6x10 | 6 |
| TK-2416 | 290 | 340 | 300 | - | 260 | 190 | 35 | 0 | 60 | 25 | 129 | 185.5 | 275 | M16x32 | - | - | M180x3 | 45 | 20 | M174x2 | 38 | - | 170 | 166 | 186.5 | 20 | 50 | RC1/2 | 171 | 202 | 220 | 292 | 7 | 167 | 250 | 188 | M6x11 | 260 | M6x12 | 5 |
| TK-2416L | 290 | 340 | 300 | - | 260 | 190 | 51 | 0 | 76 | 25 | 145 | 201.5 | 291 | M16x32 | - | - | M180x3 | 45 | 20 | M174x2 | 52 | - | 170 | 166 | 202.5 | 20 | 50 | RC1/2 | 171 | 202 | 220 | 292 | 7 | 167 | 250 | 188 | M6x11 | 260 | M6x12 | 6 |
| TK-2820 | 340 | 395 | 360 | - | 320 | 235 | 51 | 0 | 76 | 25 | 152 | 212.5 | 316 | M20x40 | - | - | M220x3 | 45 | 20 | M218x2 | 52 | - | 210 | 205 | 216 | 21 | 50 | RC1/2 | 215 | 262 | 285 | 360 | 7 | 202.5 | 300 | 240 | M6x12 | 320 | M6x12 | 6 |